
SFF2X5 Transceiver,MM1310nm,0~10M,2km
Product Description
F-tone Networks¡¯s FTAF-xxxL2-xxxx series of transceiver modules are the perfect solution for ultra-low speed communication networks.These transceiver modules support data rates up to 10Mbps. The module is fully compliant with the 2X5 standard package defined by the Small Form Factor Multi-Sourcing Agreement (MSA).These transceiver modules provides the system designer with products to RS232/RS485/RS422 fiber transmission.
Product Features
¡ñ VCSEL/FP Laser Diode Transmitter
¡ñ Up to 2Km on 62.5/125¦Ìm MMF£¬Up to 20 Km on 9/125¦Ìm SMF
¡ñ 3.3Vpower supply
¡ñ LC duplex optical interface
¡ñ LVTTL Input/ Output and LVTTL signal detect
¡ñ Class 1 Laser International Safety Standard IEC 825 Compliant
¡ñ Operating case temperature range (Standard£º0 to +70¡æ) or (Industrial£º -40¡ãC to +85¡ãC)
Application
¡ñ RS232/RS485/RS422 receptacle fiber transmission
¡ñ Other optic link
Absolute Maximum Ratings
Operating of the transceiver beyond the Absolute Conditions Listed in Table 1 will degrade or damage the product. It¡¯s not implied that the product would function above the recommended operating environment, it¡¯s possible to reduce the reliability and lifetime of device if Recommended Operating Environment is exceeded (Refer to table 2)
Table 1--- Absolute Maximum Conditions
|
Parameter |
Symbol |
Min |
Max |
Units |
Note |
|
Storage Temperature |
TST |
-40 |
+85 |
¡æ |
- |
|
Relative Humidity |
RH |
5 |
95 |
% |
- |
|
Supply Voltage |
VCC |
0 |
+3.6 |
V |
- |
Table 2--- Recommended Operating Environment and Electrical Characteristics
|
Parameter |
Symbol |
Min |
Typ |
Max |
Units |
Note |
|
Supply Voltage |
VCC |
+3.1 |
+3.3 |
+3.5 |
V |
- |
|
Supply Current |
Icc |
- |
- |
160 |
mA |
- |
|
Operating Case Temperature |
TOP |
0 |
- |
+70 |
¡æ |
1 |
|
-40 |
- |
+85 |
2 |
|||
|
Data Rate |
B |
DC |
- |
10 |
Mbps |
- |
|
Soldering temperature |
- |
- |
- |
350 |
¡æ |
3 |
|
Soldering duration |
- |
- |
- |
10 |
Sec |
3 |
Note
1.standard level
2.industrial level
3.Not recommended wave soldering.
Optical Parameters
Table 3--- FTAF-85L2-02xx Transceiver Optical Characteristics(Ambient Operating Temperature Ta=+25¡À5¡ãC, VCC = 3.3¡À0.2V)
|
Parameter |
Symbol |
Min |
Typ |
Max |
Units |
Note |
|
|
Transmitter |
|||||||
|
Data rate |
B |
DC |
- |
10 |
Mbps |
- |
|
|
Output Center Wavelength |
¦Ëc |
830 |
850 |
860 |
nm |
- |
|
|
Output Spectral width (RMS) |
¦Ë |
- |
- |
0.85 |
nm |
- |
|
|
Average Optical Output Power |
Po |
-8 |
- |
0 |
dBm |
1,2 |
|
|
Extinction Ratio |
ER |
10 |
- |
- |
dB |
1,2 |
|
|
Receiver |
|||||||
|
Receiver Sensitivity |
Pmin |
- |
- |
-14 |
dBm |
1,2 |
|
|
Receiver Saturation |
Pmax |
-3 |
- |
- |
dBm |
1,2 |
|
|
Operation Center Wavelength |
¦Ëc |
770 |
- |
860 |
nm |
- |
|
|
SD |
Deassert |
PD |
-30 |
- |
- |
dBm |
1,2 |
|
Assert |
PA |
- |
- |
-14 |
dBm |
1,2 |
|
|
SD Hysteresis |
SDHYS |
0.5 |
- |
- |
dB |
- |
|
Note1£ºThe optical power is launched into 62.5/125¦Ìm MMF.
Note2£ºWith 10Mbps. If keep 0 1 level duty ratio of 45%:55%, sensitivity control as ¡Ü- 12dBm.
Table 4--- FTAF-M13L2-02xx Transceiver Optical Characteristics
(Ambient Operating Temperature Ta=+25¡À5¡ãC, VCC = 3.3¡À0.2V)
|
Parameter |
Symbol |
Min |
Typ |
Max |
Units |
Note |
|
|
Transmitter |
|||||||
|
Data rate |
B |
DC |
- |
10 |
Mbps |
- |
|
|
Output Center Wavelength |
¦Ëc |
1260 |
1310 |
1360 |
nm |
- |
|
|
Output Spectral width (RMS) |
¦Ë |
- |
- |
4 |
nm |
- |
|
|
Average Optical Output Power |
Po |
-10 |
- |
-3 |
dBm |
1,2 |
|
|
Extinction Ratio |
ER |
10 |
- |
- |
dB |
1,2 |
|
|
Receiver |
|||||||
|
Receiver Sensitivity |
Pmin |
- |
- |
-15 |
dBm |
1,2 |
|
|
Receiver Saturation |
Pmax |
-3 |
- |
- |
dBm |
1,2 |
|
|
Operation Center Wavelength |
¦Ëc |
1260 |
- |
1620 |
nm |
- |
|
|
SD |
Deassert |
PD |
-30 |
- |
- |
dBm |
1,2 |
|
Assert |
PA |
- |
- |
-15 |
dBm |
1,2 |
|
|
SD Hysteresis |
SDHYS |
0.5 |
- |
- |
dB |
- |
|
Note1£ºThe optical power is launched into 62.5/125¦Ìm MMF.
Note2£ºWith 10Mbps. If keep 0 1 level duty ratio of 45%:55%, sensitivity control as ¡Ü- 14dBm.
Table 5--- FTAF-13L2-20xx Transceiver Optical Characteristics
(Ambient Operating Temperature Ta=+25¡À5¡ãC, VCC = 3.3¡À0.2V)
|
Parameter |
Symbol |
Min |
Typ |
Max |
Units |
Note |
|
|
Transmitter |
|||||||
|
Data rate |
B |
DC |
- |
10 |
Mbps |
- |
|
|
Output Center Wavelength |
¦Ëc |
1260 |
1310 |
1360 |
nm |
- |
|
|
Output Spectral width (RMS) |
¦Ë |
- |
- |
4 |
nm |
- |
|
|
Average Optical Output Power |
Po |
-10 |
- |
-3 |
dBm |
1,2 |
|
|
Extinction Ratio |
ER |
10 |
- |
- |
dB |
1,2 |
|
|
Receiver |
|||||||
|
Receiver Sensitivity |
Pmin |
- |
- |
-15 |
dBm |
1,2 |
|
|
Receiver Saturation |
Pmax |
-3 |
- |
- |
dBm |
1,2 |
|
|
Operation Center Wavelength |
¦Ëc |
1260 |
- |
1620 |
nm |
- |
|
|
SD |
Deassert |
PD |
-30 |
- |
- |
dBm |
1,2 |
|
Assert |
PA |
- |
- |
-15 |
dBm |
1,2 |
|
|
SD Hysteresis |
SDHYS |
0.5 |
- |
- |
dB |
- |
|
Note1£ºThe optical power is launched into 9/125¦Ìm SMF.
Note2£ºWith 10Mbps. If keep 0 1 level duty ratio of 45%:55%, sensitivity control as ¡Ü- 14dBm.
Electrical Parameters
Table 6--- Transceiver Electrical Characteristics (Ambient Operating Temperature Ta=+25¡À5¡ãC, VCC = 3.3¡À0.2V)
|
Parameter |
Symbol |
Min |
Typ |
Max |
Units |
Note |
|
|
Supply Voltage |
3.3V power |
VCC |
+3.1 |
+3.3 |
+3.5 |
V |
- |
|
Supply Current |
ICC |
- |
- |
160 |
mA |
- |
|
|
Transmitter |
|||||||
|
Data Input Voltage - Low |
VIL |
0 |
- |
0.8 |
V |
1 |
|
|
Data Input Voltage - High |
VIH |
2 |
- |
VCC |
V |
1 |
|
|
Receiver |
|||||||
|
Data Output Voltage ¨C Low |
VOL |
0 |
- |
0.4 |
V |
1 |
|
|
Data Output Voltage ¨C High |
VOH |
2.4 |
- |
VCC |
V |
1 |
|
|
SD Output Voltage-Low |
VOL |
0 |
- |
0.8 |
V |
1 |
|
|
SD Output Voltage-High |
VOH |
2 |
- |
VCC |
V |
1 |
|
Note1£º(LV)TTL signal detect
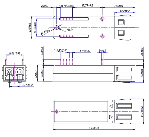
Module Outline Drawing£¨Units in mm)
Order Information
|
²úÆ·ÐͺŠ|
»ù±¾²ÎÊý |
|
FTAF-85L2-02 |
SFF2x5¹âÄ£¿é-MM850-0~10M-1KM-ÉÌÒµ¼¶ |
|
FTAF-M13L2-02 |
SFF2x5¹âÄ£¿é-MM1310-0~10M-2KM-ÉÌÒµ¼¶ |
|
FTAF-13L2-20 |
SFF2x5¹âÄ£¿é-SM1310-0~10M-20KM-ÉÌÒµ¼¶ |
|
FTAF-85L2-02I |
SFF2x5¹âÄ£¿é-MM850-0~10M-1KM-¹¤Òµ¼¶ |
|
FTAF-M13L2-02I |
SFF2x5¹âÄ£¿é-MM1310-0~10M-2KM-¹¤Òµ¼¶ |
|
FTAF-13L2-20I |
SFF2x5¹âÄ£¿é-SM1310-0~10M-20KM-¹¤Òµ¼¶ |
×¢£º±¾²úÆ·ÓÐÌìϲú»¯ÐͺſÉÑ¡
±¾²úÆ·½öչʾ²¿·Ö²ÎÊý£¬ÈôÓÐÐèÒª£¬ÇëÁªÏµ大宝娱乐¡£
大宝娱乐 | F-tone Networks
ÆóÒµÓÊÏ䣺sales@f-tone.com
ÆóÒµÍøÕ¾£ºwww.f-tone.com
ÆóÒµÍøÕ¾£ºwww.sfpgmk.com
ÆóÒµµç»°£º028-85255257
ÆóÒµ´«Õ棺028-85977702
Important Notice
Performance figures, data and any illustrative material provided in this data sheet are typical and must be specifically confirmed in writing by F-tone Networks before they become applicable to any particular order or contract. In accordance with the F-tone Networks policy of continuous improvement specifications may change without notice.
The publication of information in this data sheet does not imply freedom from patent or other protective rights of F-tone Networks or others. Further details are available from any F-tone Networks sales representative.